www.fangbodg.com
张生:15015406606/18033241600
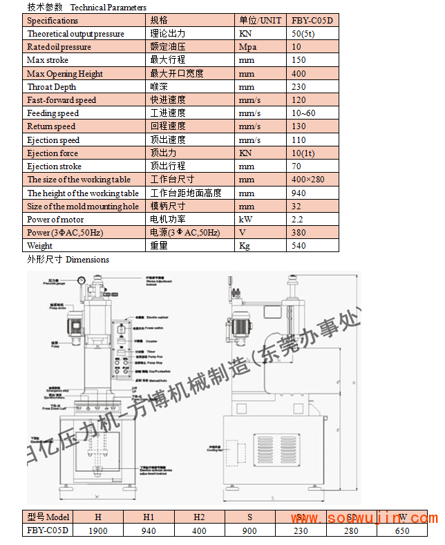
========================================================================================
产品特点 Product feature
1.C型机身设计,占用空间小,方便操作。
2.机身整体铸造,刚性好,性能稳定。
3活塞杆机械限位,下压行程可调,定位精度0.02mm。
4.下压行程具有快进与工位两种速度;快进速度提高工作
5.效率,工进速度可任意调节,保护模具,提高产品质量。
5.安全设计,采用双手操作,设有急停和上下点动功能。
6.按键与脚踏两种循环启动方式。的校正和压装等。
7.用途十分广泛,适用于轴类件和型材的校正;轴套件的压装;
板件的弯曲、压印、拉伸以及塑料、粉末制品的压制等工艺。
8.行程,压力,速度,都可调节。
9.红外线保护装置,下顶缸,压力传感器(选配类)
10.我司可定制500吨以内的单柱液压机(包括500吨)









