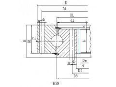
| 号 | 内齿式 DL mm |
外型尺寸 | 安装尺寸 | 结构尺寸 | 齿轮参数 | 齿轮圆周力 | 参考 重量 (kg) |
||||||||||||||||
| D mm |
d mm |
H mm |
D 1 mm |
D2 mm |
n | mm | dm mm |
L mm |
n1 mm |
D3 mm |
d1 mm |
H1 mm |
h mm |
b mm |
x | M mm |
De mm |
z | 正火 Z 104N |
调质 T 104N |
|||
| 1 | 013.25.315 | 408 | 222 | 70 | 372 | 258 | 20 | 18 | M16 | 32 | 2 | 316 | 314 | 60 | 10 | 50 | 0 | 5 | 190 | 40 | 2.9 | 4.4 | |
| 2 | 013.25.355 | 448 | 262 | 70 | 412 | 298 | 20 | 18 | M16 | 32 | 2 | 356 | 354 | 60 | 10 | 50 | 0 | 5 | 235 | 49 | 2.9 | 4.4 | |
| 3 | 013.25.400 | 493 | 307 | 70 | 457 | 343 | 20 | 18 | M16 | 32 | 2 | 401 | 399 | 60 | 10 | 50 | 0 | 6 | 276 | 48 | 3.5 | 5.3 | |
| 4 | 013.25.450 | 543 | 357 | 70 | 507 | 393 | 20 | 18 | M16 | 32 | 2 | 451 | 449 | 60 | 10 | 50 | 0 | 6 | 324 | 56 | 3.5 | 5.3 | |
| 5 | 013.30.500 | 602 | 398 | 80 | 566 | 434 | 20 | 18 | M16 | 32 | 4 | 501 | 498 | 70 | 10 | 60 | 0.5 | 5 | 367 | 74 | 3.7 | 5.2 | 85 |
| 014.30.500 | 6 | 368.4 | 62 | 4.5 | 6.2 | ||||||||||||||||||
| 5’ | 013.25.500 | 602 | 398 | 80 | 566 | 434 | 20 | 18 | M16 | 32 | 4 | 501 | 499 | 70 | 10 | 60 | 0.5 | 5 | 367 | 74 | 3.7 | 5.2 | 85 |
| 014.25.500 | 6 | 368.4 | 62 | 4.5 | 6.2 | ||||||||||||||||||
| 6 | 013.30.560 | 662 | 458 | 80 | 626 | 494 | 20 | 18 | M16 | 32 | 4 | 561 | 558 | 70 | 10 | 60 | 0.5 | 5 | 427 | 86 | 3.7 | 5.2 | 95 |
| 014.30.560 | 6 | 428.4 | 72 | 4.5 | 6.2 | ||||||||||||||||||
单排四点接触球式回转支承(01系列)——内齿式


