|
号 |
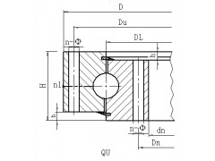
型号 |
外形尺寸 |
安装孔尺寸 |
结构 |
||||||||
|
无齿式 |
H |
Du |
Dn |
n |
通孔A |
螺孔B/C/D |
n1油杯 |
h |
||||
|
D |
d |
φ |
d1 |
T |
||||||||
|
mm |
|
mm |
|
mm |
||||||||
|
1 |
QU.315.20 |
408 |
222 |
60 |
370 |
260 |
10 |
17 |
M16 |
24 |
2 |
10 |
|
QU.315.20A |
||||||||||||
|
2 |
QU.355.20 |
448 |
262 |
60 |
410 |
300 |
10 |
17 |
M16 |
24 |
2 |
10 |
|
QU.355.20A |
||||||||||||
|
3 |
QU.400.20 |
493 |
307 |
60 |
455 |
345 |
12 |
17 |
M16 |
24 |
2 |
10 |
|
QU.400.20A |
||||||||||||
|
4 |
QU.450.20 |
543 |
357 |
60 |
505 |
395 |
12 |
17 |
M16 |
24 |
2 |
10 |
|
QU.450.20A |
||||||||||||
|
5 |
QU.500.20 |
593 |
407 |
60 |
555 |
445 |
14 |
17 |
M16 |
24 |
2 |
10 |
|
QU.500.20A |
||||||||||||
|
6 |
QU.560.20 |
656 |
464 |
70 |
618 |
502 |
14 |
17 |
M16 |
30 |
2 |
10 |
单排四点接触球式回转支承(Q系列)——无齿式


