|
号 |
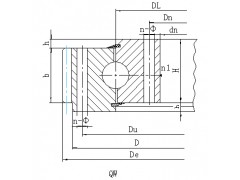
型号 |
外形尺寸 |
安装孔尺寸 |
结构 |
齿轮参数 |
||||||||||||
|
外齿式 |
H |
Du |
Dn |
n |
通孔A |
螺孔B/C/D |
n1油杯 |
h |
B |
m |
外齿式x=-0.5 |
||||||
|
De |
齿数z |
重量 |
|||||||||||||||
|
D |
d |
φ |
d1 |
T |
|||||||||||||
|
mm |
|
mm |
|
mm |
mm |
|
kg |
||||||||||
|
1 |
QW.315.20 |
406 |
222 |
60 |
370 |
260 |
10 |
17 |
M16 |
24 |
2 |
10 |
40 |
3 |
423 |
140 |
35 |
|
QW.315.20A |
4 |
428 |
106 |
36 |
|||||||||||||
|
2 |
QW.355.20 |
446 |
262 |
60 |
410 |
300 |
10 |
17 |
M16 |
24 |
2 |
10 |
40 |
3 |
462 |
153 |
40 |
|
QW.355.20A |
4 |
468 |
116 |
41 |
|||||||||||||
|
3 |
QW.400.20 |
490 |
307 |
60 |
455 |
345 |
12 |
17 |
M16 |
24 |
2 |
10 |
40 |
4 |
512 |
127 |
45 |
|
QW.400.20A |
5 |
520 |
103 |
47 |
|||||||||||||
|
4 |
QW.450.20 |
540 |
357 |
60 |
505 |
395 |
12 |
17 |
M16 |
24 |
2 |
10 |
40 |
4 |
564 |
140 |
51 |
|
QW.450.20A |
5 |
570 |
113 |
53 |
|||||||||||||
|
5 |
QW.500.20 |
590 |
407 |
60 |
555 |
445 |
14 |
17 |
M16 |
24 |
2 |
10 |
40 |
5 |
615 |
122 |
56 |
|
QW.500.20A |
6 |
624 |
103 |
58 |
|||||||||||||
|
6 |
QW.560.20 |
654 |
464 |
70 |
618 |
502 |
14 |
17 |
M16 |
30 |
2 |
10 |
50 |
4 |
680 |
169 |
78 |
|
QW.560.20A |
5 |
685 |
136 |
79 |
|||||||||||||
|
7 |
QW.630.20 |
724 |
534 |
70 |
688 |
572 |
16 |
17 |
M16 |
30 |
2 |
10 |
50 |
4 |
748 |
186 |
86 |
|
QW.630.20A |
5 |
755 |
150 |
88 |
|||||||||||||
|
8 |
QW.710.20 |
804 |
614 |
70 |
768 |
652 |
18 |
17 |
M16 |
30 |
2 |
10 |
50 |
5 |
835 |
166 |
99 |
|
QW.710.20A |
6 |
840 |
139 |
101 |
|||||||||||||
单排四点接触球式回转支承(Q系列)——外齿式


