| 单排四点接触球式回转支承(Q系列)——内齿式 |
|
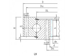
结构特点、性能、适用范围 |
|
序号 |
型号 |
|
安装孔尺寸 |
结构 |
齿轮参数 |
||||||||||||
|
内齿式 |
H |
Du |
Dn |
n |
通孔A |
螺孔B/C/D |
n1油杯 |
h |
B |
m |
内齿式x=+0.5 |
||||||
|
de |
齿数z |
重量 |
|||||||||||||||
|
D |
d |
φ |
d1 |
T |
|||||||||||||
|
|
|
mm |
|
mm |
mm |
mm |
|
kg |
|||||||||
|
1 |
QN.315.20 |
408 |
224 |
60 |
370 |
260 |
10 |
17 |
M16 |
24 |
2 |
10 |
40 |
3 |
207 |
70 |
34 |
|
QN.315.20A |
4 |
200 |
51 |
35 |
|||||||||||||
|
2 |
QN.355.20 |
448 |
264 |
60 |
410 |
300 |
10 |
17 |
M16 |
24 |
2 |
10 |
40 |
3 |
246 |
84 |
39 |
|
QN.355.20A |
4 |
240 |
61 |
40 |
|||||||||||||
|
3 |
QN.400.20 |
493 |
310 |
60 |
455 |
345 |
12 |
17 |
M16 |
24 |
2 |
10 |
40 |
4 |
288 |
73 |
44 |
|
QN.400.20A |
5 |
280 |
57 |
46 |
|||||||||||||
|
4 |
QN.450.20 |
543 |
360 |
60 |
505 |
395 |
12 |
17 |
M16 |
24 |
2 |
10 |
40 |
4 |
336 |
85 |
50 |
|
QN.450.20A |
5 |
330 |
67 |
52 |
|||||||||||||
|
5 |
QN.500.20 |
593 |
410 |
60 |
555 |
445 |
14 |
17 |
M16 |
24 |
2 |
10 |
40 |
5 |
385 |
78 |
55 |
|
QN.500.20A |
6 |
378 |
64 |
57 |
|||||||||||||
|
6 |
QN.560.20 |
656 |
468 |
70 |
618 |
502 |
14 |
17 |
M16 |
30 |
2 |
10 |
50 |
4 |
440 |
111 |
76 |
|
QN.560.20A |
5 |
435 |
88 |
77 |
|||||||||||||
|
7 |
QN.630.20 |
726 |
538 |
70 |
688 |
572 |
16 |
17 |
M16 |
30 |
2 |
10 |
50 |
4 |
512 |
129 |
84 |
|
QN.630.20A |
5 |
505 |
102 |
86 |
|||||||||||||
|
8 |
QN.710.20 |
806 |
618 |
70 |
768 |
652 |
18 |
17 |
M16 |
30 |
2 |
10 |
50 |
5 |
585 |
118 |
97 |
|
QN.710.20A |
6 |
582 |
98 |
97 |
|||||||||||||


